CZ0-150E/01直流接触器

您的位置 : 网站首页 > 产品中心 > CZ系列直流接触器 > CZ0-150E/01直流接触器
CZ0-150E/01
CZ0-150E/01
  • CZ0-150E/01
型号:CZ0-150E/01直流接触器
  • 额定电流(A)

    150A

  • 额定电压(V)

    440V

联系电话:021-55560736
ZJ-50D直流接触器

产品介绍

Product introduction

产品用途
CZ0 E系列直流接触器主要供远距离接通与分断额定电压至440伏,额定电流至600安培的直流线路之用。并适用于频繁起动、停止直流电动机及直流电动机的换向或反接制动。(如:用于冶金,机床等电器控制设备中)本产品符合Q/HY028-2000标准。
型号含义
主要技术参数
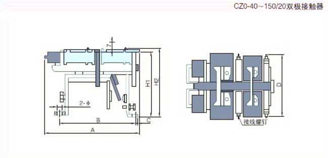
外形尺寸图
CZ0-150E/01直流接触器
  • 邮  箱:cnhgq@foxmail.com 邮  编:201206
  • 厂  址:上海市曹路钦塘工业园钦塘东南1号 销售地址:上海浦东新区外高桥华申路150号2幢
  • © Copyright JOSEF Inc. All rights reserved.沪ICP备08020013号